發布日期:2020-02-20 17:51
山(shān)西清徐劉經理定購的商品混凝土攪拌站主機除(chú)塵器已於2015年6月20日交付使用,解決了攪拌機(jī)在生產過程中,向攪(jiǎo)拌機內投料(粉狀物)時,對周(zhōu)圍環境的汙染問題,經濟合理(lǐ)地節約了寶貴的資源(yuán)。
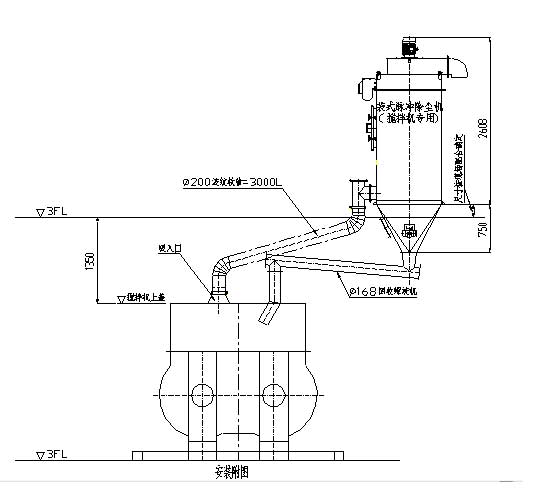
攪拌站主機除塵器(qì)技術參數
除塵(chén)器規格(gé):DMC-48
除塵器形式:低壓脈衝清灰(huī)
處理風量:4800 m3/h
入口溫度(dù):< 120℃
入口含塵濃度:1000g/Nm3
濾袋規格:130×2000 mm
濾袋數量:48 條
過濾風速:1.06 m/min
過濾壓降:>1600Pa
出口含塵濃度:30mg/Nm3
電機功率:4 KW
濾袋使用壽命:2年參數規格

1.清灰原理
攪拌站除塵器是(shì)采用氣動脈衝原理,即主機除塵器工作時,通過電腦板控(kòng)製,對主機除塵器內每個布袋濾芯逐個清灰,即每個布袋裏麵瞬(shùn)間充滿氣體,布袋瞬間膨脹,把附(fù)著在布袋表(biǎo)麵的灰塵瞬間抖落,達到清灰的目(mù)的。此外,濾芯入口處設計增壓文氏管,這樣可以二次增壓,使脈(mò)衝(chōng)清灰更徹底(dǐ)。一次清灰率高(gāo)達99.9%.一(yī)般傳統除(chú)塵器靠0.5千瓦左右的振動電機震動達(dá)到清(qīng)灰目的,但(dàn)清灰不徹(chè)底,浪費電,易壞,某(mǒu)種程度純屬擺設。主機(jī)除塵器帶有觀察門,方便(biàn)檢查布袋(dài)使用情(qíng)況。
2.工作原理:
攪拌機(jī)在生產過程中,向攪拌機(jī)內投料(粉(fěn)狀物),由於慣性這些粉狀物會形成粉塵,造成(chéng)環境汙染。布(bù)袋脈(mò)衝式除塵機可以在投料的開始(配備風機2.2KW~5.5KW,根據攪拌主機容量大小選配),吸收粉塵(3m³攪拌機一般會產生2~3kg/罐),經過除塵布袋過濾(lǜ)把粉塵集中在布袋脈衝式(shì)除塵機的下部漏鬥,振(zhèn)動電機振動後,經過回收螺旋輸送機把粉塵送入攪拌機內或人工(gōng)收集,不會造成二次汙(wū)染。
攪抖站除塵器自身優點:
① 有利於保護環保;
② 有利於回收(shōu)粉塵(節約(yuē)成本);
③ 有利於觀察攪拌主機內的攪拌情況(在攪拌主機上蓋處可以安裝攝像頭);
④ 有利(lì)於(yú)攪拌機內空氣對流;
⑤ 在接入砼(tóng)站氣泵氣體的入口處(chù)裝有油水過濾器(qì),能使反吹清灰的高壓氣體進一步將(jiāng)油份水份淨化分離;
⑥ 整個主機(jī)除塵器的反吹清灰是由電腦板控製氣動脈(mò)衝閥,對濾芯逐一清理,O限度延長濾芯壽命。現場隻需接(jiē)入一個380V的電源線和0.5~0.7Mpa的氣源即可,省(shěng)電節約能源;
⑦ 嵌入式彈性袋口,密封性好,能一次性處理高達1000g/m2濃度的煙塵,排放小於50g/m3,符合O排放標準;
⑧ 脈衝閥(fá)數量少(shǎo),清灰強度大,動作迅速;
⑨ 整機采用微機自動控製,各參數易於調節(jiē),可實現無崗位工操(cāo)作;
⑩ 濾袋使用壽命二年以上;
易(yì)實現隔離檢(jiǎn)修,除塵機相對主機運轉率100%。